Statesman Lawn Mower Parts

Southern states riding mowers tractors parts manufacturer approved parts for a proper fit every time.
Statesman lawn mower parts. Riding lawn mower parts mtd riding mowers give you the power to care for your yard easily and efficiently. Cleveland tn 37311 1 877 477 7278. Scag power equipment sears service star shindawa silver series snapper snapper pro statesman tanaka tecumseh power company toro commerical equipment toro consumer. Statesman lawn garden garden wet battery left 12 volt.
Complete exploded views of all the major manufacturers. Northridge ca 91324 1 877 477 7278 tennessee 240 edwards st. A freshly mown lawn creates a welcoming environment for your family and creates a great space for activities like playing fetch with your dog and having a picnic in your backyard. 5 88 add to cart.
Browse our wide selection to find what you re looking for. Find part by symptom search within model. This is an oem replacement part sourced directly from the manufacturer. Mowpart provides you best of lawnmower parts genuine and aftermarket lawn mower parts replacement lawn mower parts for toro ariens briggs stratton and much more.
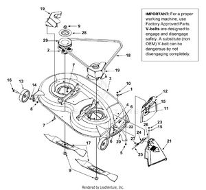
We also have installation guides diagrams and manuals to help you along the way. It is easy and free. To see pricing availability. This no grease mandrel assembly includes housing shaft assembly bearing and nut only pulley washer and blade bolt washers are not included.
California 19410 business ctr dr. To see pricing availability. Peak final charge global coolant antifreeze 1 gal. Mtd statesman exploded view parts lookup by model.
Questions answers 1 steering wheel cap. We make it easy for you to keep your riding mower performing at peak condition with genuine riding lawn mower parts for all our brands.